Подсистема для вентфасада
оптом от завода
Цены от
завода
Новейшие
технологии
производства
Контроль
качества
производства
Опыт
производства
с 2006г
Доставляем собственным транспортом
по России
Что мы предлагаем
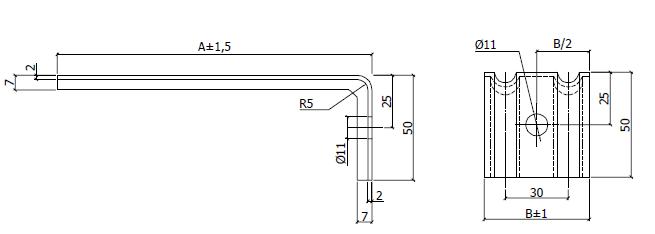
КРОНШТЕЙН:

Кронштейн воспринимает вертикальную нагрузку от собственного веса конструкции вентилируемого фасада и горизонтальные ветровые нагрузки и передает их на несущие стены здания через анкерный элемент, который крепит кронштейн к стене.

Материал Толщина (мм) Ширина кронштейна В (мм) Длина полки А (мм)
Zn 1.20 60 50
Zn 1.20 60 70
Zn 1.20 60 100
Zn 1.20 60 120
Zn 1.20 60 150
Zn 1.20 60 200
Zn 2.00
60 50
Zn 2.00
60 70
Zn 2.00
60 100
Zn 2.00
60 120
Zn 2.00
60 150
Zn 2.00
60 200
ОСНОВНОЙ ВЕРТИКАЛЬНЫЙ ПРОФИЛЬ:

Предназначен для стыковки фасадных панелей (вертикальный стык панелей).

Высота общая h(mm) Ширина полки a(mm) Ширина основания A (mm) Толщина профиля S(mm) Длина профиля L(mm)
22 20 60 1.20 3000-6000
ПРОФИЛЬ ВЕРТИКАЛЬНЫЙ ПРОМЕЖУТОЧНЫЙ:

Применяется для крепления панелей на углах и вокруг проемов.

Высота общая h(mm) Ширина нижней полки В (mm) Ширина верхней полки А (mm) Толщина профиля S(mm) длина профиля L(mm)
22 20 20 1.20 3000-6000
22 20 40 1.20 3000-6000
22 40 40 1.20 3000-6000
22 40 55 1.20 3000-6000
ПРОФИЛЬ ГОРИЗОНТАЛЬНЫЙ ОСНОВНОЙ:

Крепится к несущим кронштейнам. К горизонтальному профилю крепятся вертикальные профили.

Ширина полки А (mm) Ширина полки В (mm) Толщина профиля S(mm) Длина профиля L(mm)
40 40 1.20 3000-6000
50 50 1.50 3000-6000
60 40 1.20 3000-6000
75 75 1.20 3000-6000
КЛЯММЕРЫ:

Клямеры используются для крепления плит из керамогранита, натурального камня при облицовке фасадов зданий.

Кляммер Рядовой

Кляммер стартовый

Наименование Материал Толщина (мм)
кляммер рядовой Zn 1.00
кляммер стартовый Zn 1.00
О компании

Вентилируемый фасад крупным оптом

Как непосредственный производитель, завод «Металл Сервис» предлагает вентилируемый фасад крупным оптом. Мы готовы сделать максимально выгодное предложение строительным компаниям, а также базам строительных материалов и гипермаркетам. Вы можете рассчитывать на минимальную стоимость и высокое качество представленной в каталоге продукции.

Вентилируемый фасад — широко распространенный вариант наружной отделки зданий различного назначения, популярность которого растет с каждым годом. Именно поэтому компания «Металл Сервис» предприняла усилия для повышения производственных мощностей, и сегодня готова обеспечить крупнооптовых заказчиков из различных регионов России. Предлагаемые профили для монтажа подсистемы вентфасада характеризуются высоким качеством, а отсутствие посредников гарантирует минимальную стоимость.

Мы заинтересованы в долгосрочном сотрудничестве с крупнооптовыми заказчиками, поэтому готовы обсуждать условия поставок в индивидуальном порядке. Стабильность снабжения партнеров обеспечивает собственный парк крупнотоннажных автомобилей, которые доставляют нашу продукцию по всей территории России.

собственное производство Профильной трубы
Оцинковогого профиля
Литейный цех Подробнее

отлаженная логистика 52 еврофуры
Собственные СТО
Ответственное отношение
Грамотное ведение документов Подробнее

Металлопрокат
В НАЛИЧИИ
2500 позиций в продаже
Только свежий металл
Складской комплекс
на 80 тыс. тонн Подробнее

Новости и статьи
Поздравляем профессиональным праздником - День оружейника
От имени компании «Металл Сервис» сердечно поздравляем вас с профессиональным праздником - Днём оружейника, который отмечается в России 19 сентября!
Подробнее
Наша команда приняла участие в турнире у ПАО «Россети Центр»
13 сентября сотрудники ООО «Металл Сервис» приняли участие в спортивном празднике, организованном ПАО «Россети Центр» - филиалом «Тамбовэнерго».
Подробнее
Наша команда приняла участие в волейбольном турнире «Лига партнеров НЛМК»
С урока от олимпийца - сразу в бой! Наша команда не просто участвовала - боролась до последнего мяча.
Подробнее
Металл Сервис на Молодецких играх с подарком от компании
Металл Сервис» принял участие в XI партнёрских «Молодецких играх» ГК «ПРОТЭК»
Подробнее
КП и запросы будут обязательно рассмотрены специалистами.
Направляйте на почту info@mc24.ru
Оставьте заявку и получите интересное предложение

*обязательное поле к заполнению